First Principles

I've tried most things on the stock Yamaha's. Re-capping, Bi Amping, both DSP and analogue fully active set ups. While developing a separate Semi Active project, I learned that a small two way pair of speakers, reinforced by a pair of 12" active woofers (Not Subs) and crossed over fairly high, can work extremely well. With this combination, it allows the use of a simple passive crossover for midrange/tweeter and a line level active filter for the bass. This is how I am treating this project, even though it's a 3-Way in a single cabinet. Here is a diagram of the complete set up.




 This arrangement allows drivers of mixed impedance to be used. The 8ohm Mid and Twt are driven by a Valve Amp.
The 4ohm Woofer is driven by a beefy class D Amp, which gives better control of the driver. I tried various ways of running this, including balanced for bass, but simple worked best and SE paths for both HF/LF used fewer parts and sounded cleaner to me.
The hardware I chose, had particular features or attributes that I needed for my set up and I tweaked the units further, to best serve my application, each has its own story and you can jump to them using these links:
Schiit Freya Plus Pre Amplifier
PrimaLuna ProLogue Four Power Amplifier
Nord One UP NC500DM Power Amplifier


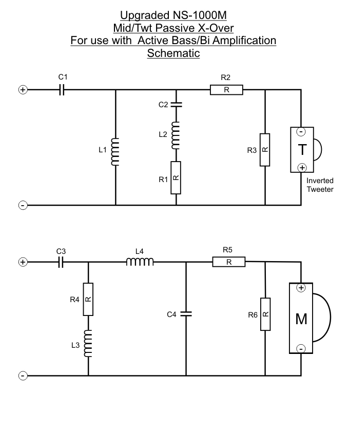
Passive X-Over

After several attempts with the stock circuit, the passive design I chose to use, is basically Troels Grevesens NS-1000M upgrade, his project is linked below. I bought one of his Level 3 kits, which uses Jantzen Superior Z-Caps and used just the Midrange and Tweeter elements from this. It gives a flatter response than the original Yamaha circuit.
 www.troelsgravesen.dk/Yamaha-NS1000.htm


Due to using only part of Troels kit, I used a slightly different layout to his.

I stuck to the circuit and parts/values supplied in the kit, but made a few Brand changes.
I swapped the large Superior Z-Cap in series with the mid driver (C3), with a Mundorf Supreme of the same value. The series cap for the tweeter (C1) was changed for a Mundorf Supreme Silver in Oil. The two resistors in the signal path (R2/R5) were changed to equivalent Pathaudio items. All other Jantzen Superes were changed to equivalent Mills MRA12.
In Troels schematic there is an optional resistor to attenuate the Midrange relative to the Bass, I left this out, as I can adjust this balance using my separate amplifiers and active crossover if needed. Because of this omission, the attenuating (parallel) resistor for the Twt, relative to the Midrange (R3), becomes a value not supplied in the kit. This value is down to personal taste and your associated equipment, 8R2 sounded shut in and a 9R1 was just a bit too enthusiastic. I found 8R6 worked best in my set up, made up from an 8R2 + 0R5 Mills but my pairs measured 8R6. I mounted these attenuating resistors high on the tag strip, were they were easily changed.

While this combination of parts worked best with my equipment, your requirements may vary.
I would start with the supplied parts/values in the kit and go from there, which is what I did. It sounds great in stock form, my changes, to component Brands, made only a very small difference. This was about tailoring these parts to suit the tonality of the rest of my equipment. Troels did a really good job with this circuit design and I can whole heartedly recommend it, over an upgraded stock Yamaha circuit I built for this set up, using similar Jantzen coils and caps.



A Completed Passive X-Over
Please don't ask me for Troels part values, which I've removed from all pictures and schematics. If you want to know these, buy the kit from Jantzen. It's good value, you would struggle to put equivalent quality parts together for the money.